
- Скорость укупорки: 15-30 шт./мин.
- Номинальное напряжение: 110/60 Гц (стандарт США)
- Мощность машины: 0,8 кВт
- Ампер: 2.2А
- Внешние размеры: 2230*1460*1600 мм (Д*Ш*В)
- Давление воздуха: 0,7 МПа
- Вес: около 300 кг
Уведомление перед запуском машины для укупорки бутылок
1: Перед включением машины в сеть убедитесь, что выключатель питания находится в замкнутом состоянии, а затем следуйте инструкциям.
2: Если машина не работает в течение длительного времени, ее следует протереть сухой тканью. Не допускается чистка едкими чистящими средствами.
3: Категорически запрещается проливать какую-либо жидкость в электрический блок машины, чтобы избежать коррозии внутренних электрических компонентов и короткого замыкания.
4: Проверьте по упаковочному листу оборудования модели, технические характеристики и количество оборудования и материалов, чтобы убедиться, что они соответствуют требованиям стандартов конструкции и продукции и сопровождаются сертификатами соответствия.
5: Проверьте внешний вид оборудования, чтобы убедиться в отсутствии на нем каких-либо деформаций, повреждений и коррозии, а также в том, что все шпиндели должны свободно вращаться без каких-либо засоров.
6: Данное устройство работает от однофазного переменного тока напряжением 110 В, поэтому плоская трехконтактная вилка должна быть подключена к розетке с заземляющим проводом.
Технические параметры

- Скорость укупорки: 15-30 шт./мин.
- Номинальное напряжение: 110/60 Гц (стандарт США)
- Мощность машины: 0,8 кВт
- Ампер: 2.2А
- Внешние размеры: 2230*1460*1600 мм (Д*Ш*В)
- Давление воздуха: 0,7 МПа
- Вес: около 300 кг
Подробности об укупорочной машине:



Структуры Машины

Описание оптоволоконного электрического глаза
Электрический глаз для обнаружения бутылок:

 При работе в автоматическом режиме этот электрический глаз предназначен для обнаружения входящих бутылок.
При обнаружении поступающей бутылки «поворотный стол» вращается.
Электрический глаз для доставки век

При работе в автоматическом режиме этот электрический глазок предназначен для обнаружения приближающихся крышек.
При обнаружении поступающей крышки «механизм извлечения» поднимается для забора материала.
Электрический глаз для доставки век

При работе в автоматическом режиме: Цель этого электрического глаза — обнаружение входящих бутылок.
При обнаружении поступающей бутылки «механизм запирающего колпачка» поворачивает запирающий колпачок вниз.
Кнопка переключения и порт для подключения проводов
Сенсорный экран и аварийная остановка
 
 Контроллер двигателя подачи и вибрационной пластины крышки

Контроллер вибрационной пластины

Контроллер вибрационной пластины: регулируя напряжение, регулируйте скорость разрядки.
Выключатель питания и розетки

Контроллер двигателя

Частотный преобразователь: Регулируя кнопку частотного преобразователя, отрегулируйте скорость двигателя.
Методы оповещения и устранения неисправностей:
1. Нажата кнопка аварийной остановки. Нажмите кнопку аварийной остановки на крышке машины и рядом с сенсорным экраном.
2. Выход достигает установленного значения. Установите выход, нажмите кнопку очистки, чтобы очистить текущий выход.
3. Если крышки не обнаруживаются в течение длительного периода времени, пожалуйста, проверьте. Проверьте индукционное волокно крышки бутылки, чтобы убедиться, что оно хорошо установлено. Проверьте, на месте ли крышки или нет.
4. Если бутылки не обнаруживаются в течение длительного периода времени, проверьте. Проверьте, на месте ли бутылки.
Электрическая регулировка глаз:
Структура усилителя

Схема для оптического волокна:

1. Оптоволоконный запорный стержень
2. Индикатор рабочего состояния
3. Установить
4. Индикатор DSC
5. Цифровой монитор
6. Кнопка ручного управления
7. Расширенный защитный кожух
8. Разъем расширения
9. Переключатель выбора мощности
10. Кнопка режима
11. Селектор выхода
12. Кабели
13. Защита от пыли
14. Установите значение (зеленым цветом)
15. Текущее значение (красным)
Рабочий процесс для установки оптоволоконного кабеля
- Когда электрический глаз попадает в зазор, значение красного тока равно 144.
- Когда электрический глаз падает на этикетку, значение красного тока равно 4.
- Отрегулируйте установленное значение, примерно 1/2 от значения, которое электрический глаз находится на основной бумаге (в зазоре между объектами, которые необходимо обнаружить) и значения, которое электрический глаз находится на бумаге, установленное значение составляет (144 4)/2=74, отрегулируйте вручную кнопку, чтобы установить установленное значение на 74.
- Перемещайте зазор этикетки вперед и назад в месте расположения электрического глазка и красного «сигнального/индикаторного индикатора».
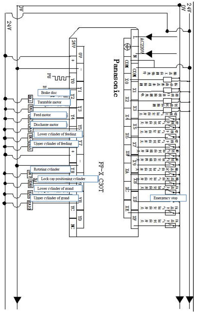
Схема цепи



Техническое обслуживание машины для укупорки бутылок

1. Необходимо проверять и обслуживать машину, чтобы продлить срок ее службы и оптимизировать ее работу;
- Техническое обслуживание рабочей машины следует проводить каждые три месяца;
- Подшипниковую и зубчатую части трансмиссии необходимо смазать консистентной смазкой;
- Смазку необходимо производить периодически;
- Масло для направляющих скольжения (N68) следует добавлять в такие детали, как возвратно-поступательный механизм или подъемный механизм, два раза в день;
- Во вращающиеся или качающиеся части следует заливать автомобильное масло (N68);
- Каждые полмесяца добавляйте смазку в паз кулачка;
- Ежемесячно один раз в месяц для масляной форсунки добавляйте смазку;
2. Никогда не используйте металлические инструменты для ударов или соскабливания поверхностей, где склеивание скопилось на деталях, таких как компоненты или формы.
3. Если машина не работает в течение длительного времени, добавьте смазку для смазки таких деталей, как трансмиссия или подшипники. Также обработайте машину водонепроницаемым средством.
4. Никогда не кладите на машину какие-либо предметы, чтобы не повредить ее.
5. Периодически очищайте внутренние компоненты от пыли, а также проверяйте все винты и затягивайте все ослабленные винты.
6. Проверьте винты в клеммах для проводки в определенное время и убедитесь, что винт закреплен;
7. Проверьте, нет ли ослабленных участков на протянутом пути проводки от электрических коробок. Если часть слишком ослаблена, закрепите винт повторно, чтобы избежать истирания или повреждения изоляционного слоя, что может привести к утечке тока.
8. Проверяйте изнашивающиеся накладки и вовремя меняйте поврежденные;










