
- Укупорочные головки: 2 шт. сервопривода
- Напряжение: 220 В, 50/60 Гц;
- Мощность:3.0кВт
- Давление воздуха: 0,5–0,7 МПа
- Ампер: 8.5А
- Скорость: 40-45/мин (настраивается в зависимости от формы и размера банок)
- Подходящий диаметр продукта: крышки φ28-φ125 мм (нестандартные, индивидуальные)
- Проходимость сальника: ≥99,5% (в зависимости от погрешности крышки и бутылки)
- Размер машины: 3300*1150мм*1908мм
- Вес: 450 кг
Перед включением питания машины. Внимательно прочтите данное руководство по технике безопасности и правильному использованию машины. Чтобы избежать несчастных случаев с персоналом и снизить частоту поломок машины.
В случае использования едких веществ примите меры, чтобы избежать попадания едких веществ на саму машину и персонал.
- Избегайте использования машины в местах, подверженных вибрации или столкновениям.
- Во время работы машины тело персонала не должно касаться движущихся частей.
- Машину следует избегать в местах с повышенной влажностью. И подключите ее к источнику питания, заземляющий провод должен быть правильно заземлен, чтобы избежать несчастного случая.
- Оператор должен поддерживать нормальное физическое и психическое состояние. Если вы принимаете алкоголь, снотворное или другие препараты, оказывающие вредное воздействие на ваше психическое состояние, прекратите работу на машине.
- Оператор должен носить соответствующую одежду, чтобы избежать травм, вызванных попаданием одежды в вращающиеся части, и не должен размещать на машине посторонние предметы.
- Если во время использования возникли шумы или другие отклонения, немедленно остановите машину и проверьте ее. Лица, не являющиеся техническими специалистами, пожалуйста, не перемещайте самовольно детали машины.
- Регулярное (один раз в неделю) техническое обслуживание и уход, избегайте попадания воды или других жидкостей на электронные блоки управления или другие электрические компоненты при чистке машины.
- Пожалуйста, соблюдайте обычные правила эксплуатации и поддерживайте поверхность машины в чистоте и порядке.
Укупорочная машина применяется в процессе упаковки всех видов косметической, медицинской, ветеринарной продукции, пестицидов, смазочных масел и других промышленных отраслях.





Принцип и особенности машины для укупорки банок:
- Электрическое автоматическое управление, стабильное;
- С устройством позиционирования укупорки, стандартной запертой крышкой, эксплуатация удобна;
- Широкий диапазон блокировки крышки, возможность вращения различных форм спецификаций крышки;
- Скорость укупорки, тюрьма вращения, одновременно также может в соответствии с необходимостью регулировать плотность перемотки.


Основные параметры машины для укупорки косметических банок:

1. Укупорочные головки: 2 шт. сервопривода
2. Напряжение: 220 В, 50/60 Гц;
3. Мощность: 3,0 кВт
4. Давление воздуха: 0,5--0,7 МПа
5. Ампер: 8,5А
6. Скорость: 40-45 об/мин (настраивается в зависимости от формы и размера банок)
7. Подходящий диаметр продукта: крышки φ28-φ125 мм (нестандартные, индивидуальные)
8. Проходимость сальника: ≥99,5% (в зависимости от погрешности крышки и бутылки)
9. Размер машины: 3300*1150 мм*1908 мм
10. Вес: 450 кг
Описание части хоста


Выключатель питания: включение-выключение питания.
Индикатор питания: питание включено — горит зеленый свет, питание выключено — зеленый свет не горит.
Аварийная остановка: используется для немедленной остановки машины или для сброса функции в случае чрезвычайной ситуации или неисправности.
1. Запустить фотоэлектрический: Машина работает, когда фотоэлектрический датчик обнаруживает, что есть бутылка и есть крышка, поворотный стол может начать работать. Если один из двух фотоэлектрических датчиков не обнаружен, поворотный стол не вращается.
2. Фотоэлектрическое происхождение: Он используется для управления шаговым двигателем, приводящим в действие поворотный стол, чтобы можно было плавно вставить бутылку в крышку.
3. Фотоэлектричество колпачка: Проверьте, на месте ли крышка, и с помощью фотоэлектрического прибора определите, есть ли поворотный стол для вращения крышки.
4. Покрытие фотоэлектричеством: Управление запуском и остановкой машины для верхней крышки, когда крышка, поставляемая машиной для верхней крышки, сортируется в положение, обнаруженное фотоэлектрическим датчиком, фотоэлектрический элемент всегда яркий, машина для крышки останавливается для крышки, и реализуется интеллектуальное покрытие.
5. Фотоэлектричество крышки замка: При прохождении бутылки с крышкой срабатывает фотоэлектрическое обнаружение, и крышка замка срабатывает в соответствии с установленным временем задержки (конкретные параметры настраиваются в зависимости от скорости движения конвейерной ленты при настройке машины).
6. Система блокировки крышки: Бутылка с крышкой та же самая, фотоэлектрическая задержка запуска, задержка цилиндрического зажима бутылки, запорный колпачок опускается, крышка захвата - винтовая крышка - освобождение захвата - запорный колпачок поднимается - зажим бутылки ослабляется, и процесс запорного колпачка завершен. В запорной крышке, когда крышка замка 1# находится в запорной крышке, входит другая бутылка. В это время цилиндр зажима бутылки 2# перемещается, и запорная крышка 2# активируется, чтобы запереть крышку. (Когда крышка, которая была заперта головкой замка 2#, проходит мимо бутылки зажима 1#, не повторяйте запорную крышку.

Описание человеко-машинного интерфейса

Загрузочная страница
3.1 На странице загрузки есть выбор операций на английском и китайском языках. Если вы выберете кнопку на китайском языке, войдете в следующий интерфейс:

Второй интерфейс
Останавливаться: Пусковой выключатель всей машины. Коснитесь этой кнопки, и машина запустится в автоматическом режиме. Коснитесь этой кнопки еще раз, и машина остановится.
Тестовые ворота: Проверьте работу машины.
Скорость вращения поворотного стола: Чем больше параметр скорости, тем выше скорость, тем медленнее параметр скорости. (Но есть максимальный предел.)
Задержка проигрывателя: Настройки времени запуска поворотного стола в соответствии с эффектом плавности работы поворотного стола.
Задержка ограничения: После того, как поворотный стол достигнет назначенной станции, задержите время ожидания, закройте крышку цилиндра.
Время укупорки: Время, необходимое для герметизации цилиндра.
Выход: Заполните запись количества замковых крышек, удобный подсчет производства. Нажмите клавишу сброса, чтобы очистить.
Х1. Х3. Х14: Проверьте, находится ли фотоэлектрик в рабочем состоянии отражения, легко увидеть работу состояния машины,
Параметр ограничения: Нажмите эту клавишу и войдите в следующий интерфейс:

Интерфейс представляет собой страницу параметров, которые необходимо настроить для каждого действия головки замка № 1 в системе крышки сервопривода замка, разумная настройка параметров способствует стабильности работы машины и повышению эффективности.
Возвращаться: Нажмите эту кнопку, чтобы вернуться ко второму интерфейсу.
Ввод/вывод: Нажмите эту кнопку, чтобы войти в следующий интерфейс:

Очки серии X: Является точкой входа для определения, находится ли фотоэлектрический элемент в рабочем состоянии, легко видеть работу машины, простота обслуживания.
Точки серии Y: Является ли выходная точка исполнительных компонентов нормального состояния обратной связи, также можно вручную нажать клавишу управления, чтобы проверить, являются ли исполнительные компоненты нормальными.
Система подачи крышек: Может быть стабильным и упорядоченным в соответствии с предписанным направлением покрытия.
Регулировка наклона: Можно отрегулировать разумный угол, чтобы обратная крышка не залезала в слайд.
Регулировка преобразователя частоты: контролировать скорость движения крышки.


Техническое обслуживание оборудования для укупорки банок:
1. Поддерживайте машину в выключенном состоянии и при отключенном газе, чтобы обеспечить безопасность. Содержите машину в чистоте и порядке, не оставляйте на ней посторонних предметов, мелких предметов, аксессуаров, болтов и т. д.
2. Смазочное масло регулярно добавляется в подвижные части механизма, чтобы обеспечить его хорошую работу.
3. Регулярно сливайте воду из воздушного фильтра и добавляйте смазочное масло, чтобы обеспечить правильную работу цилиндра и продлить срок его службы.
4. Регулярно проверяйте и ремонтируйте машину. Оцените рабочее состояние оборудования с помощью зрения и слуха, чтобы убедиться, что машина работает хорошо.
Примечание: пожалуйста, используйте и обслуживайте в строгом соответствии с инструкциями, гарантийный срок строго запрещается открывать и разбирать, в противном случае ущерб, вызванный этим, как человеческий ущерб, не подлежит бесплатному ремонту. Эта инструкция может быть изменена без предварительного уведомления; если все еще есть какие-либо сомнения относительно работы этой машины, пожалуйста, позвоните нам в любое время для запросов
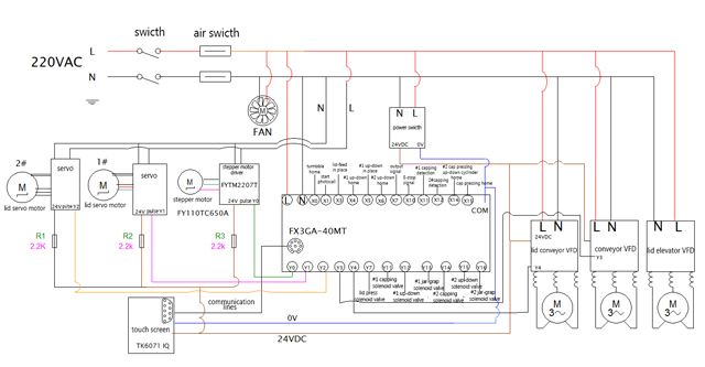
Прилагаемая электрическая схема:

Образцы готовых герметично закрытых крышек на укупорочной машине для банок:





Отметки: для квадратных черных банок, поскольку крышки подвержены царапинам, он разработан с системой захвата, чтобы вытащить крышки банок из лотков и поместить их на станцию, готовую к укупорке, для процесса укупорки. Подробный принцип работы проиллюстрирован следующим образом: Рабочий процесс:
1. Ручная укладка крышек в лоток (15*15 или 10*10)

2. Размещение подносов на станции выдачи готовой продукции.
3. Роботы собирают банки.

4. Размещение бутылок и завершение процесса укупорки
5. Выпуск банок с крышками











